| 联系方式 | 该项目来源于钢构宝APP,联系业主电话请下载钢构宝APP,或咨询钢构宝客服4001392998/四零零--一三九--二九九八 https://www.zwggb.com |
| 订单编号 | 1432552701394 |
| 更新时间 | 2026-04-15 16:06 |
| 订单类型 | 钢材建材 |
| 项目地址 | 湖南长沙市望城区经济开发区 |
| 总重量 | 50.00T(过磅) |
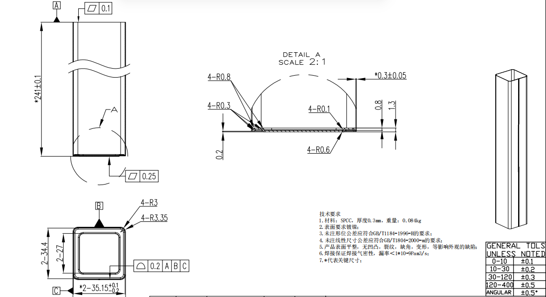
| 项目描述 | 湖南长沙地区某单位无缝管求购计划如下: 我司项目上需要用到无缝管和方管,材料为SPCC,厚度0.3mm,长260mm,外径43.14,表面要求镀镍,详情可参考图纸清单,采购量50吨,正规大厂,保证材质,价格合适可长期合作,请长沙就近能做且符合要求的厂家微信联系报价含税含运输。 |
| 询价区域 | 湖北、湖南 |
| 项目图纸及资料 |
湖南长沙地区某单位无缝管..._资料1.pdf |
| 项目图片 |
|




